Dual Channel Coaxial Rotary Joint RJ02-571-010 DC-4.5GHz 30RPM IP60
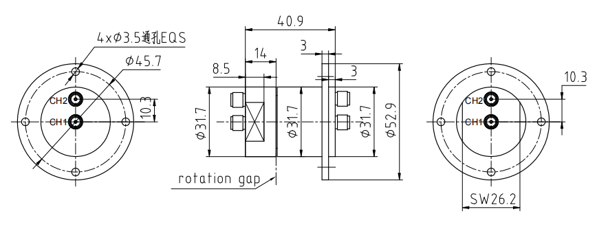
RJ02-571-010 2-Channel Coaxial RF Rotary Joint
This dual-channel coaxial RF rotary joint is designed for stable high-power RF signal transmission in rotating systems. It features low insertion loss, stable VSWR and phase performance, with DC power carrying capability, making it suitable for demanding RF applications.
RF Channel Parameters
- Frequency Range: DC ~ 4.5GHz
- Interface: SMA-F (50Ω) for both CH1 & CH2
- Peak Power (Max): 1kW per channel
- Average Power (Max): CH1: 100W (DC-2GHz) / 60W (2-4.5GHz); CH2: 10W
- VSWR (Max): CH1: 1.2; CH2: 1.5
- VSWR Fluctuation (Max): CH1: 0.05; CH2: 0.2
- Insertion Loss (Max): CH1: 0.25dB; CH2: 0.30dB
- Insertion Loss Fluctuation (Max): CH1: 0.05dB; CH2: 0.15dB
- Phase Fluctuation (Max): CH1: 0.5deg; CH2: 4deg
DC Carrying Capability (Max)
- CH1: 0.5A, 48V DC @ full RF avg. power; 2A, 48V DC @ 5W RF avg. power
- CH2: 0.5A, 48V DC @ full RF avg. power; 0.5A, 48V DC @ 5W RF avg. power
Mechanical & Environmental Parameters
- Max Rotation Speed: 30rpm
- Min Operating Life: 5×10⁴ revolutions
- Max Starting Torque: 0.5Nm @ room temperature
- Max Rotation Torque: 0.5Nm @ room temperature
- Case Material: Aluminum alloy
- Approx. Weight: 0.13kg
- Ambient Temperature Range: -40°C ~ +70°C
- Max Relative Humidity: 95%
- IP Protection Level: IP60
Write your message here and send it to us













