Ingiant automation slip rings with outer diameter 57mm transmission of power and data
|
DHS057-54 |
|||
|
The main parameters |
|||
|
Number of circuits |
57 |
Working temperature |
“-40℃~+65℃” |
|
Rated current |
can be customized |
Working humidity |
<70% |
|
Rated voltage |
0~240 VAC/VDC |
Protection level |
IP54 |
|
Insulation resistance |
≥1000MΩ @500VDC |
Housing material |
Aluminum Alloy |
|
Insulation strength |
1500 VAC@50Hz,60s,2mA |
Electrical contact material |
Precious metal |
|
Dynamic resistance variation |
<10MΩ |
Lead wire specification |
Colored Teflon insulated & tinned stranded flexible wire |
|
Rotating speed |
0~600rpm |
Lead wire length |
500mm + 20mm |
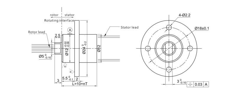
Product drawing:
Automation Slip Rings
Slip rings with outer diameter 56mm to 119mm, transmission of power and data
Slip rings for high rotational speed and industrial automation
Automation slip rings for complex industrial power and signal transmission. Advanced fibre brush technology for long life and low contact resistance. Combined power and signal transmission possible.
Advantages of Automation slip rings
- Shielding against interfering signals
- Impact-resistant housing
- acid-resistant housing material
- Corrosion-resistant enclosure
- Minimum internal wear and tear
- Very reliable signal transmission
- Long-life ball bearings
Our advantage:
- Product advantage: With the encapsulated miniature slip rings, we offer you the ideal components for transmitting power and signal current to rotating components. Our comprehensive product range also has the right solution for your applications.
- Company advantage: Transmission technology for complex industrial and safety-relevant applications form the core of our product range. All products can be individually adapted to the applications in order to offer you added value. Premium engineering – that is our claim for every single product we manufacture. We would like to convince you of this.
- Customized advantage: We can supply you with quantities from 1. Special shapes or special types are possible on request. Give us a call. We will discuss your challenges until we have found your optimal slip ring. Trust our competence and experience. Our encapsulated miniature slip rings are used in tens of thousands of applications worldwide.








